信耐產品Products
聯系方式


上海信耐包裝器材有限公司
電 話:021-54884151
傳 真:021-67692768
手 機:13916299878. 13391244233
Q Q:1206573038
郵 箱:1206573038@qq.com
地 址:上海市金山區亭林鎮工業區亭衛公路9299弄79號
您當前的位置:首頁 > 信耐產品 > 自動包裝設備 > 全自動打包機全自動打包機
詳情描述
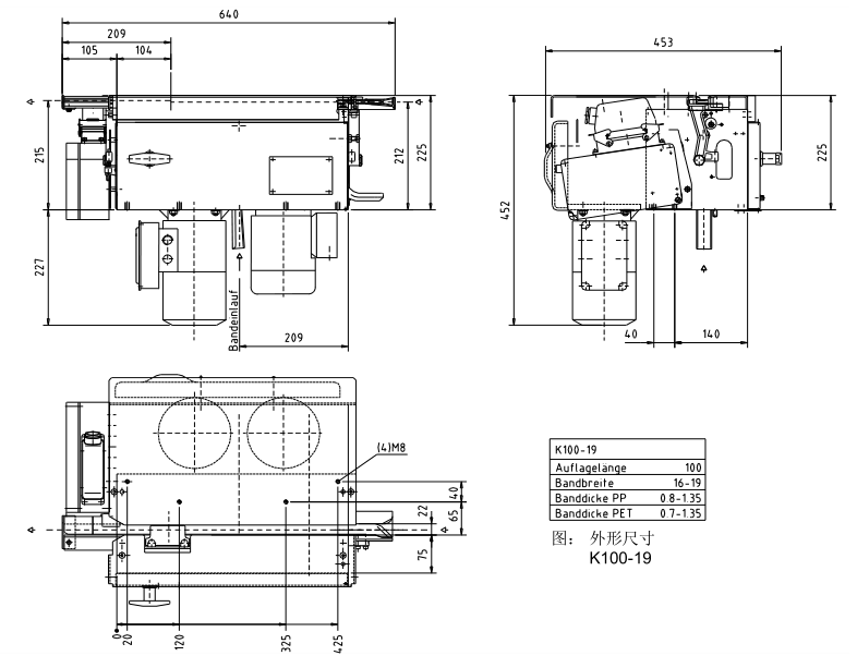
技術參數:
驅動方式:電氣結合,3個馬達,2個氣缸送帶速度: 1,7 m/s
焊接功率: 6,6 kVA
鋼帶: -帶寬19, 25, 32 mm
-帶厚0,8-1,0 mm, Megaband to 0,8 mm
接扣類型: TIG焊接
接扣強度:在接扣加載破壞試驗中大約80-90 % (取決于捆帶品質、厚度和表面質量)
電極尺寸: d = 2,4 mm ; l = 175 mm ; WS 2 turquoise
焊接氣體:氬氣4.6 (Ar. 99,996)
氣體消耗:每個焊點2升
氣體噴嘴: size 6
噪音指數:聲壓85dB依照于DIN 45635 27章標準(AS)
*小包裝尺寸: straight packing item length: min. 150 mm
圓周直徑min.700mm
張力大小: 4000-20000 N可調節
氣源壓力: 5-6 bar流動壓力
氣源消耗:每個做扣動作大約0,2-0,3 m
重量: 200 kg

關鍵字:塑鋼帶打包機頭
聯系信耐
上海信耐包裝器材有限公司
服務熱線:13391244233(微信同號)
電話:+86-021-54884151/54884163
傳真:+86-021-67692768
QQ:1206573038 / 14762235
公司地址:上海市松江區泗涇鎮泗磚路600號
下一頁:最后一頁
上一頁:XN-200DA 雙弓架全自動打包機


滬公網安備 31011702004967號


